HEAVY DUTY
Gate Valve
Inquiry Now
DIN 3352 F4 Resilient Seated Gate Valve
flanged
PN10 / PN16 / PN25 / Class 125/150 / Class 150 / Class 300
GGG50
DN50-DN600
Customized Components Supported
Professional OEM/ODM services for valve components. We manufacture according to your technical drawings and material requirements with high precision.
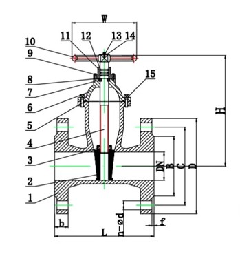
Technical Drawing
⊕ Click to Enlarge
Dimensions & Tolerance
| DN | L | D | C | B | n-d | b | f | W | H | |||||
|---|---|---|---|---|---|---|---|---|---|---|---|---|---|---|
| PN10 | PN16 | PN10 | PN16 | PN10 | PN16 | PN10 | PN16 | PN10 | PN16 | / | ||||
| DN40 | 140 | 150 | 110 | 84 | 4-19 | 18 | 3 | 160 | 190 | |||||
| DN50 | 150 | 165 | 125 | 99 | 4-19 | 19 | 3 | 160 | 205 | |||||
| DN65 | 170 | 185 | 145 | 119 | 4-19 | 19 | 3 | 160 | 225 | |||||
| DN80 | 180 | 200 | 160 | 133 | 4-19 | 8-19 | 19 | 3 | 180 | 250 | ||||
| DN100 | 190 | 220 | 180 | 154 | 8-19 | 19 | 3 | 200 | 285 | |||||
| DN125 | 200 | 250 | 210 | 184 | 8-19 | 19 | 3 | 250 | 330 | |||||
| DN150 | 210 | 285 | 240 | 210 | 8-23 | 19 | 3 | 250 | 375 | |||||
| DN200 | 230 | 340 | 295 | 265 | 8-23 | 12-23 | 20 | 3 | 300 | 480 | ||||
| DN250 | 250 | 405 | 350 | 355 | 319 | 12-23 | 12-28 | 22 | 3 | 330 | 590 | |||
| DN300 | 270 | 460 | 400 | 410 | 370 | 12-23 | 12-28 | 24.5 | 4 | 380 | 650 | |||
| DN350 | 290 | 520 | 460 | 470 | 429 | 16-23 | 16-28 | 24.5 | 26.5 | 4 | 490 | 770 | ||
| DN400 | 310 | 565 | 580 | 515 | 525 | 480 | 16-28 | 16-31 | 24.5 | 28 | 4 | 490 | 850 | |
| DN450 | 330 | 640 | 565 | 585 | 530 | 20-28 | 20-31 | 25.5 | 30 | 4 | 490 | 920 | ||
| DN500 | 350 | 670 | 715 | 620 | 650 | 582 | 609 | 20-28 | 20-34 | 26.5 | 31.5 | 4 | 590 | 1000 |
| DN600 | 390 | 780 | 840 | 725 | 770 | 682 | 720 | 20-31 | 20-37 | 30 | 36 | 5 | 590 | 1190 |