HEAVY DUTY
Check Valve

DIN 3202 F6 Swing Check Valve, Metal Seated

flanged
PN10 / PN16 / Class 125/150 / Class 150
GGG50
DN50-DN400
Inquiry Now
Customized Components Supported
Professional OEM/ODM services for valve components. We manufacture according to your technical drawings and material requirements with high precision.

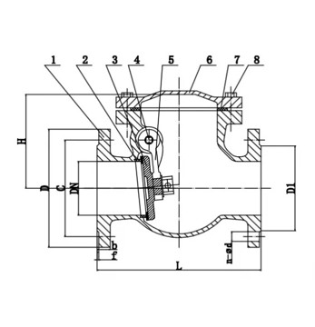
Technical Drawing

Technical Drawing ⊕ Click to Enlarge

Dimensions & Tolerance

DNLDCBn-dbfH
PN10PN16PN10PN16PN10PN16PN10PN16PN10PN16
DN50200165125994-19193130
DN652401851451194-19193150
DN802602001601338-19193155
DN1003002201801548-19193165
DN1253502502101848-19193185
DN1504002852402108-23193205
DN2005003402952658-2312-23203250
DN25060040535035531912-2312-28223310
DN30070046040041037012-2312-2824.54360
DN35080052046047042916-2316-2826.54405
DN40090058051552548016-2816-31284470
× Full Technical Drawing

GET IN TOUCH

XVS Valve